Call Director 2636

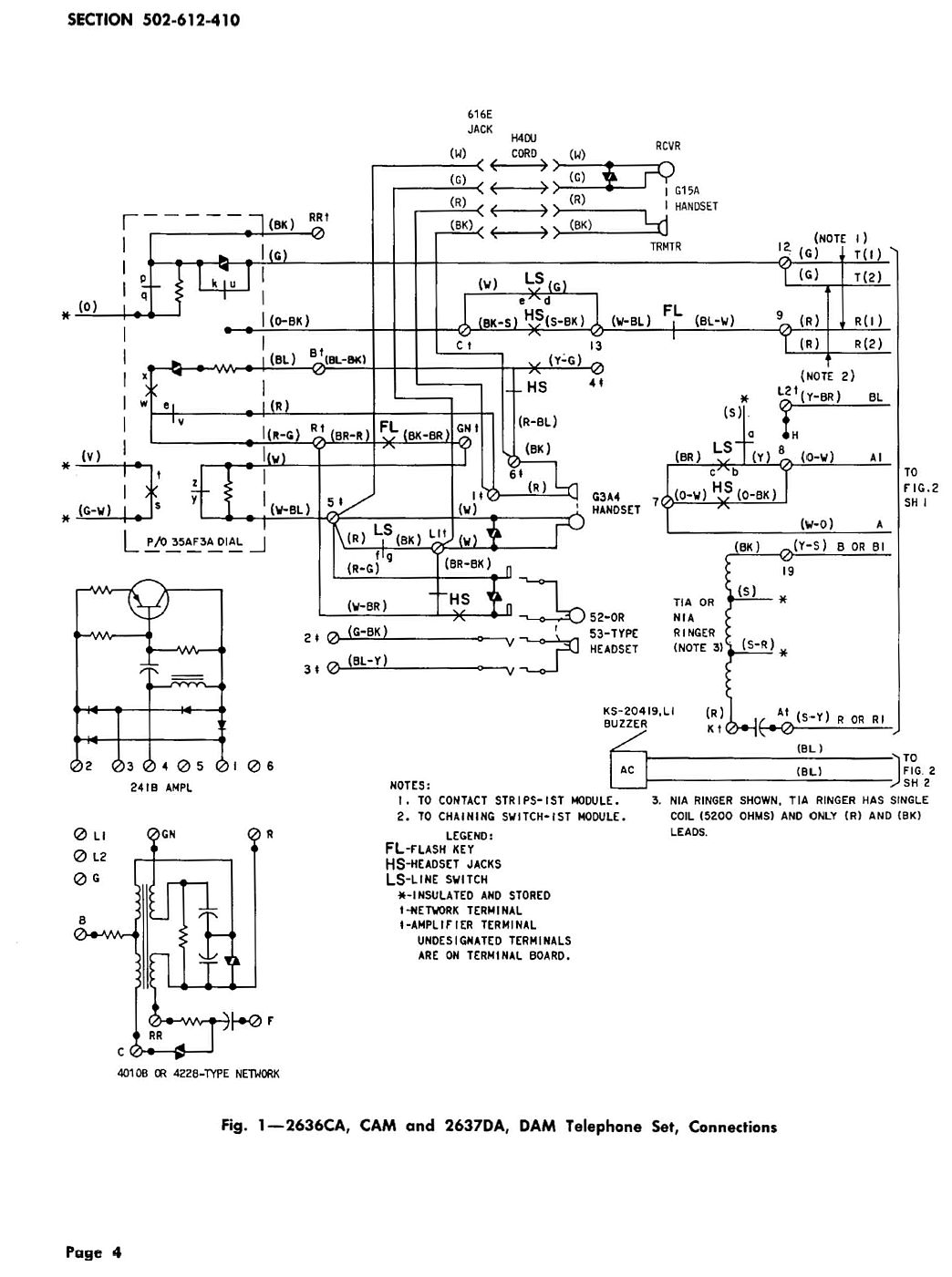
Wiring Diagram - Fig. 1 and Fig. 2, pp.4 thru 10 (502-612-410 ISSUE 5, April 1976)